|
柱塞計量泵(計量加藥泵)JT型

JT型計量泵(計量加藥泵)計量范圍:0-7500L/H 壓力承受范圍:0-50MPa 驅動方式:電機驅動 控制方式:手動、自動控制 配置方式:泵頭保溫、冷卻、電機可配防爆 1、與介質直接接觸部位全采用不銹鋼及四氟材質。過流適應一般顆粒,無毒無味。 2、雙泵頭結構,經濟實用,占地面積小,性能優越。 3、易損部件全部經過特殊化處理,質量保證。 4、內部配置性能卓越的調節器總成,延長泵的使用壽命,并降低了噪音。 5、定量輸出,在泵運行或停止時也可任意調節流量,精密度高可達正負百分之一。 6、吐出壓力最高一款系列可達500KG。 7、適用于輸送溫度-30~300℃,粘度為0.3~800mm2/s 的介質。 |
|
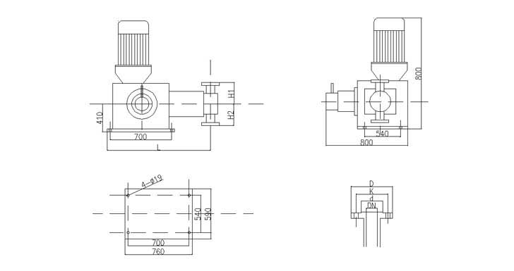
JT型柱塞式計量泵(計量加藥泵)安裝圖
 |
|
JT型柱塞式計量泵(計量加藥泵)參數表
|
型 號 |
流量 (L/h) |
排水壓 (mpa) |
柱塞直徑 |
行程 (mm) |
往復次數 (CrP) |
電機功率 (kW) |
安裝尺寸 |
重量 (Kg) |
|
DN |
D |
K |
d |
h1 |
h2 |
L |
|
XHJT-26/64 |
26 |
64 |
9 |
80 |
90 |
4 |
8 |
95 |
65 |
46 |
210 |
210 |
1200 |
500 |
|
XHJT-39/64 |
39 |
64 |
11 |
4 |
8 |
95 |
65 |
46 |
210 |
210 |
1200 |
|
XHJT-46/50 |
46 |
50 |
12 |
4 |
8 |
95 |
65 |
46 |
210 |
210 |
1200 |
|
XHJT-69/50 |
69 |
50 |
14 |
4 |
8 |
95 |
65 |
46 |
210 |
210 |
1200 |
|
XHJT-76/40 |
76 |
40 |
15 |
4 |
8 |
95 |
65 |
46 |
210 |
210 |
1200 |
|
XHJT-114/40 |
114 |
40 |
18 |
4 |
8 |
95 |
65 |
46 |
210 |
210 |
1200 |
|
XHJT-120/32 |
120 |
32 |
19 |
4 |
12 |
95 |
65 |
46 |
210 |
210 |
1250 |
|
XHJT-180/32 |
180 |
32 |
23 |
5.5 |
12 |
95 |
65 |
46 |
210 |
210 |
1250 |
|
XHJT-196/25 |
196 |
25 |
24 |
5.5 |
12 |
95 |
65 |
46 |
210 |
210 |
1250 |
|
XHJT-294/25 |
294 |
25 |
29 |
5.5 |
12 |
95 |
82 |
56 |
240 |
240 |
1250 |
|
XHJT-305/20 |
305 |
20 |
30 |
5.5 |
16 |
105 |
82 |
56 |
240 |
240 |
1250 |
|
XHJT-450/20 |
450 |
20 |
36 |
5.5 |
16 |
105 |
82 |
56 |
240 |
240 |
1250 |
|
XHJT-508/16 |
508 |
16 |
39 |
5.5 |
16 |
105 |
82 |
56 |
240 |
240 |
1250 |
|
XHJT-750/16 |
750 |
16 |
47 |
5.5 |
16 |
105 |
82 |
56 |
240 |
240 |
1250 |
|
XHJT-833/10 |
833 |
10 |
50 |
5.5 |
26 |
115 |
85 |
65 |
200 |
200 |
1300 |
|
XHJT-1250/10 |
1250 |
10 |
61 |
5.5 |
26 |
115 |
85 |
65 |
200 |
200 |
1300 |
|
XHJT-1144/8 |
1144 |
8 |
58 |
5.5 |
26 |
115 |
85 |
65 |
200 |
200 |
1300 |
|
XHJT-1716/8 |
1716 |
8 |
71 |
5.5 |
26 |
115 |
85 |
65 |
200 |
200 |
1300 |
|
XHJT-1550/6.4 |
1550 |
6.4 |
68 |
5.5 |
35 |
135 |
98 |
75 |
220 |
220 |
1300 |
|
XHJT-2325/4.0 |
2325 |
4.0 |
83 |
5.5 |
35 |
135 |
98 |
75 |
220 |
220 |
1300 |
|
XHJT-2000/2.5 |
2000 |
2.5 |
77 |
5.5 |
35 |
135 |
98 |
75 |
220 |
220 |
1300 |
|
XHJT-3000/1.6 |
3000 |
1.6 |
94 |
5.5 |
40 |
150 |
110 |
84 |
235 |
235 |
1350 |
|
XHJT-4500/1.6 |
4500 |
1.6 |
115 |
5.5 |
40 |
150 |
110 |
84 |
235 |
235 |
1350 |
|
XHJT-3660/1.0 |
3660 |
1.0 |
104 |
5.5 |
50 |
100 |
125 |
100 |
260 |
260 |
1350 |
|
XHJT-5500/0.5 |
5500 |
0.5 |
127 |
5.5 |
80 |
195 |
160 |
135 |
270 |
270 |
1350 |
|
XHJT-7500/0.5 |
7500 |
0.5 |
149 |
5.5 |
80 |
195 |
160 |
135 |
270 |
270 |
1350 | |
|
安裝要求: 1. 泵應安裝在專門備用的混凝土基礎或鐵鑄平臺上,校正后用地腳螺栓固定。混凝土基礎應高于地面 50 ~ 100 毫米以上。 2. 吸入與排出管徑應不小于進出口管徑,吸入管路應盡量縮短。如吸入管路過長或彎管接頭過多,應進行 NPSHa 核算,以滿足必須的凈正吸入壓頭的要求。 3. 連接管路應裝測量儀表,如壓力表(用戶自備)。 4. 吸入管路末端應裝有過濾裝置(用戶自備)。 5. 排出管路應裝有安全閥或安全溢流閥(用戶自備)。如需減少出口壓力脈動,可在靠近泵排出管路上設穩壓裝置。 |
計量泵選型如下:
一、確定壓力:所選取計量泵的額定壓力要略高于所需要的實際最高壓力,一般高出10~20%。不要選
計量泵
擇過高,壓力過高會浪費能源,增加設備的投資和運行費用。
二、確定流量:所選取的計量泵流量應等于或略大于工藝所需流量。計量泵流量的使用范圍在計量泵額定流量范圍的30~100%較好,此時計量泵的重復再現精度高。考慮到經濟實用,建議計量泵的實際需要流量選擇為計量泵額定流量的70~90%。
三、確定泵頭(液力端)材質:計量泵的具體型號規格確定后,再根據過流介質的屬性選擇過流部分的材質,這一步非常重要,若選擇不當,將會造成介質腐蝕損壞過流部件或介質泄露污染系統等。嚴重時還可能造成重大事故,若您無法確定,請向我公司咨詢。
其他方面:
您在選擇計量泵時,還需要考慮所需計量泵的精度級別,精度級別越高投入越大。 計量泵一般工作溫度在-30~100℃,特殊計量泵其工作溫度范圍更寬(如帶保溫夾套的高溫液體計量泵,其輸送溫度可達500℃)。 對于介質的粒度,我們要求應小于0.1mm,對于大于0.1mm的介質,我們可針對性地對泵的過流結構進行改變,以滿足需要。 對于介質的粘度,一般應在0~1000mm/s,特殊的計量泵可達6000 mm2/s。